Cart
Looks like your shopping cart is empty...






For Turnkeys and Custom Applications, we can help!
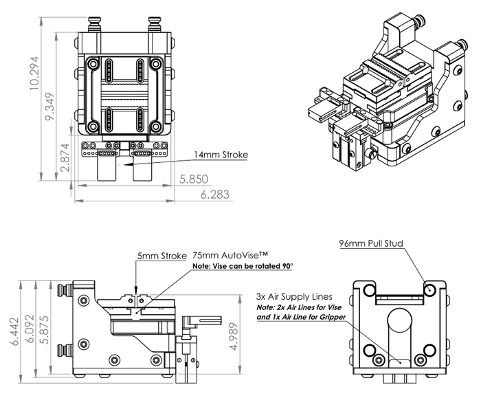
The AxisMount™ GripFlipGrip™ Module - Rotary AutoVise™ System is the an all-in-one system that allows two or more operations to be completed in a single cycle on a CNC Machine equipped with a fourth axis and a Gimbel Spindle Gripper. The Module consists of a 75mm Gimbel AutoVise™ Air Vise, and integrated Support Trunnion with Air Pass-Through, and a special version of QuickFlip™ Station. The fingers of the Flipper are designed to rotate on-center to the system.
The 75mm AutoVise™ can be rotated 90deg as needed for different setups.
The first operation is machined in the 75mm AutoVise™, a Gripper moves it to the Flip Station flipping the part over, and the part is then moved either back to the same Air Vise or to an Op2 AutoVise™ mounted to the table. With our GimGripper™ or GimVac™ products, the next cycle of parts is loaded and the process continues until the desired number of finished parts are manufactured.
The entire system is centered around a 96mm or 52mm Pullstud system. Note that Gimbel Automation is a 5th Axis Inc Distributor, and can provide you with a matching Pullstud Zero Point System for your 4th Axis. Alternatively, use your own existing pullstud Zero Point, such as those made by Lang or Kurt Workholding. To make this possible, note that you will need a spacer plate that allows the air lines to be routed around the Zero Point System.
Note that you will need three independent airlines connected to a Rotary Union to use this system. We offer the best-in-class 4-Port AxisAir™ Universal 4th Axis Rotary Union that is nearly universal to any 4th or 5th Axis Rotary or Trunnion. This enables continuous and unlimited rotation of the air lines.